Product Summary
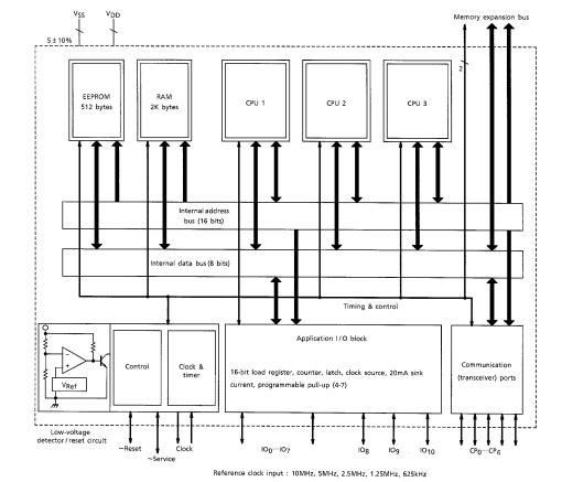
The TMPN3150B1AF is a Neuron Chip which configures LONWORKS nodes in combination with external memory. The TMPN3150B1AF has all the built-in communications and control functions required to implement LONWORKS nodes. These nodes may then be easily integrated into highly-reliable distributed intelligent control networks. The typical functions for the TMPN3150B1AF are explained below.
Parametrics
TMPN3150B1AF absolute maximum ratings: (1)Power Supply Voltage:-0.3 to 7.0V ; (2)Input Voltage:-0.3 to VDD+0.3V ; (3)Power Dissipation:800mW ; (4)Storage Temperature:-65 to 150℃.
Features
TMPN3150B1AF features: (1)Eleven programmable I / O pins; (2)Two programmable 16-bit timers and counters built in; (3)34 different types of I / O functions to handle a wide range of input and output; (4)ROM firmware image containing pre-programmed I / O drivers, greatly simplifying application programs(Stored in external ROM) ; (5)Two CPUs for communication protocol processing built in; (6)The communications and application CPUs execute in parallel; (7)Equipped with a built-in LonTalk protocol which supports all seven levels of the OSI reference model with ISO; (8)Highly reliable communication protocol is supplied as firmware ; (9)Built-in twisted-pair wire transceiver ; (10)Equipped with communications modes and communication speeds which support various types of external transceivers; (11)Supports twisted-pair wire, power line, radio ( RF ), infrared, coaxial cables and fiber optics; (12)Communication port transceiver modes and logical addresses stored within the EEPROM ; (13)Can be amended via the network.
Diagrams

| Image | Part No | Mfg | Description | ![]() |
Pricing (USD) |
Quantity | ||||
|---|---|---|---|---|---|---|---|---|---|---|
![]() |
![]() TMPN3150B1AF |
![]() Other |
![]() |
![]() Data Sheet |
![]() Negotiable |
|
||||
![]() |
![]() TMPN3150B1AFG |
![]() Other |
![]() |
![]() Data Sheet |
![]() Negotiable |
|
||||
![]() |
![]() TMPN3150B1AFG(I) |
![]() Toshiba |
![]() Network Controller & Processor ICs Neuron Chip w/ ext ROM I/F |
![]() Data Sheet |
![]() Negotiable |
|
||||
(China (Mainland))









