Product Summary
The TT251N16KOF is netz thyristor module and phase control thyristor module. The present product data is exclusively subscribed to technically experienced staff. This Data Sheet is describing the specification of the products for which a warranty is granted exclusively pursuant the terms and conditions of the supply agreement. There will be no guarantee of any kind for the product and its specifications.
Parametrics
Absolute maximum ratings:(1)repetitive peak forward off-state and reverse voltages, Tvj = -40°C to Tvj max, VDRM,VRRM: 1200 to 1400V; (2)non-repetitive peak forward off-state voltage, Tvj = -40°C to Tvj max, VDSM: 1200 to 1400V; (3)non-repetitive peak reverse voltage, Tvj = +25°C to Tvj max, VRSM: 1300 to 1500V; (4)maximum RMS on-state current, Itrmsm: 410A; (5)average on-state current, TC = 85°C, Itavm: 250A; (6)average on-state current, TC = 82°C, Itavm: 261A; (7)surge current, Tvj = 25 °C, tP = 10 ms, ITSM: 9100A; (8)surge current, Tvj = Tvj max, tP = 10 ms, ITSM: 8000A.
Features
Features:(1)SCR Doubler Module; (2)Eupec Power Semiconductors; (3)V(DRM) Max.(V)Rep.Pk.Off Volt.=1.6k; (4)V(RRM) Max. (V)=1.6k; (5)I(T) Max.(A) On-state Current=250.
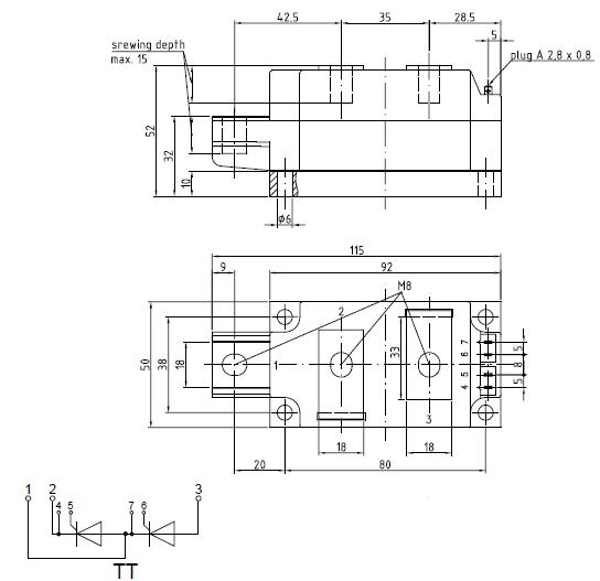
Diagrams

| Image | Part No | Mfg | Description | ![]() |
Pricing (USD) |
Quantity | ||||||||
|---|---|---|---|---|---|---|---|---|---|---|---|---|---|---|
![]() |
![]() TT251N16KOF |
![]() Infineon Technologies |
![]() Discrete Semiconductor Modules 1600V 410A DUAL |
![]() Data Sheet |
![]()
|
|
||||||||
![]() |
![]() TT251N16KOF-A |
![]() Infineon Technologies |
![]() SCRs PCT 1600V 250A |
![]() Data Sheet |
![]()
|
|
||||||||
![]() |
![]() TT251N16KOF-K |
![]() Infineon Technologies |
![]() SCRs PCT 2600V 250A |
![]() Data Sheet |
![]()
|
|
||||||||
(China (Mainland))









