Product Summary
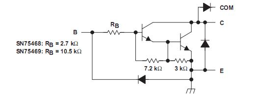
The SN75468D is a monolithic high-voltage, high-current Darlington transistor array. The SN75468D consists of seven npn Darlington pairs that feature high-voltage outputs with common-cathode clamp diodes for switching inductive loads. The collector-current rating of the SN75468D is 500 mA. The Darlington pairs may be paralleled for higher current capability. Applications include relay drivers, hammer drivers, lamp drivers, display drivers(LED and gas discharge), line drivers, and logic buffers.
Parametrics
SN75468D absolute maximum ratings: (1)Collector-emitter voltage:100 V; (2)Input voltage:30 V; (3)Peak collector current:500 mA; (4)Output clamp current:500 mA; (5)Total emitter-terminal current:–2.5 A; (6)Operating free-air temperature range:0℃ to 70℃; (7)Storage temperature range:–65℃ to 150℃; (8)Lead temperature 1,6 mm (1/16 inch) from case for 10 seconds:260℃.
Features
SN75468D features: (1)500-mA Rated Collector Current (Single Output); (2)High-Voltage Outputs:100 V; (3)Output Clamp Diodes; (4)Inputs Compatible With Various Types of Logic; (5)Relay Driver Applications; (6)Higher-Voltage Versions of ULN2003A and ULN2004A, for Commercial Temperature Range.
Diagrams

| Image | Part No | Mfg | Description | ![]() |
Pricing (USD) |
Quantity | ||||||||||||
|---|---|---|---|---|---|---|---|---|---|---|---|---|---|---|---|---|---|---|
![]() |
![]() SN75468D |
![]() Texas Instruments |
![]() Transistors Darlington HV HA Darlington |
![]() Data Sheet |
![]()
|
|
||||||||||||
![]() |
![]() SN75468DE4 |
![]() Texas Instruments |
![]() Transistors Darlington HV HA Darlington |
![]() Data Sheet |
![]()
|
|
||||||||||||
![]() |
![]() SN75468DG4 |
![]() Texas Instruments |
![]() Transistors Darlington Hi Vltg Darlington Transistor Arrays |
![]() Data Sheet |
![]()
|
|
||||||||||||
![]() |
![]() SN75468DR |
![]() Texas Instruments |
![]() Transistors Darlington Hi Vltg Darlington Transistor Arrays |
![]() Data Sheet |
![]()
|
|
||||||||||||
![]() |
![]() SN75468DRG4 |
![]() Texas Instruments |
![]() Transistors Darlington Hi Vltg Darlington Transistor Arrays |
![]() Data Sheet |
![]()
|
|
||||||||||||
![]() |
![]() SN75468DRE4 |
![]() Texas Instruments |
![]() Transistors Darlington Hi Vltg Darlington Transistor Arrays |
![]() Data Sheet |
![]()
|
|
||||||||||||
(China (Mainland))









